Actualización

Archivo Fecha actualizado
ANIM.HHN 2025-12-11 03:46 ok
ELAM.HHE 2025-12-11 03:47 ok
GLAM.HHZ 2025-12-11 03:48 ok
INDM.HHN 2025-12-09 00:01 Revisar
BRAM.ELE 2025-12-01 23:54 Revisar
MORM.ELZ 2025-12-05 23:55 Revisar
SALM.ELN 2025-12-11 03:44 ok
SILM.ELZ 2025-11-30 00:17 Revisar
DESM.HHE 2025-12-11 03:47 ok
INDM.HHE 2025-12-09 00:01 Revisar
AFRM.HHN 2025-12-11 03:46 ok
ALEM.HHN 2025-12-11 03:46 ok
SAMM.ELZ 2025-11-16 00:05 Revisar
ANIM.HHZ 2025-12-11 03:46 ok
QUINM.HHN 2025-12-11 03:43 ok
AGAM.HHZ 2025-12-01 23:53 Revisar
ACR3M.HDF 2025-12-11 03:46 ok
ESMM.HHZ 2025-12-05 23:51 Revisar
NIDM.HHZ 2025-12-11 03:49 ok
PIRM.HHN 2025-12-11 03:49 ok
SIBM.ELN 2025-12-09 00:06 Revisar
CIMM.ELN 2025-12-11 03:47 ok
ACINM.HDF 2025-12-08 23:55 Revisar
FGU2M.HNZ 2025-12-11 03:48 ok
LAVM.ELZ 2025-12-11 03:49 ok
SAJM.ELZ 2025-12-11 03:44 ok
LISM.HHE 2025-12-09 00:03 Revisar
TAPM.HHN 2025-12-11 03:45 ok
LAVM.ELN 2025-12-11 03:49 ok
QUINM.HHE 2025-12-11 03:43 ok
SAMM.ELN 2025-11-16 00:05 Revisar
BISXM.HHN 2025-12-08 23:57 Revisar
BISXM.HHE 2025-12-08 23:57 Revisar
NIDM.HHN 2025-12-11 03:49 ok
MORM.ELN 2025-12-05 23:55 Revisar
SALM.ELE 2025-12-11 03:44 ok
TAPM.HHZ 2025-12-11 03:45 ok
ELAM.HHZ 2025-12-11 03:47 ok
ACRUM.HDF 2025-11-03 20:14 Revisar
ANIM.HHE 2025-12-11 03:46 ok
BISXM.HHZ 2025-12-08 23:57 Revisar
PIRM.HHZ 2025-12-11 03:50 ok
RCBM.HHZ 2025-12-11 03:44 ok
GLAM.HHN 2025-12-11 03:48 ok
TIGM.ELE 2025-12-11 03:45 ok
ACOLM.HDF 2025-12-11 03:46 ok
OLLM.HHZ 2025-12-11 03:49 ok
GLAM.HHE 2025-12-11 03:48 ok
AFRM.HHZ 2025-12-11 03:46 ok
LAJM.ELE 2025-12-11 03:48 ok
OLLM.HHE 2025-12-11 03:49 ok
TOLM.ELZ 2025-12-11 03:45 ok
ESMM.HHE 2025-12-05 23:51 Revisar
OLLM.HHN 2025-12-11 03:49 ok
PARM.HHZ 2025-11-24 00:01 Revisar
CL2M.ELE 2025-12-11 03:47 ok
PLAM.HHE 2025-12-11 03:50 ok
SJUM.HHZ 2025-12-11 03:44 ok
INDM.HHZ 2025-12-09 00:01 Revisar
CIMM.ELZ 2025-12-11 03:47 ok
BRAM.ELZ 2025-12-01 23:54 Revisar
RUBM.HHZ 2025-12-11 03:44 ok
SIBM.ELE 2025-12-09 00:06 Revisar
PARM.HHN 2025-11-24 00:01 Revisar
LISM.HHZ 2025-12-09 00:03 Revisar
CL2M.ELN 2025-12-11 03:47 ok
REFM.HHE 2025-12-11 03:44 ok
RCBM.HHE 2025-12-11 03:43 ok
DESM.HHN 2025-12-11 03:47 ok
SIBM.ELZ 2025-12-09 00:06 Revisar
SJUM.HHN 2025-12-11 03:44 ok
QUINM.HHZ 2025-12-11 03:43 ok
SILM.ELN 2025-11-30 00:16 Revisar
RC3M.ELE 2025-12-11 03:43 ok
TOLM.ELE 2025-12-11 03:45 ok
REFM.HHN 2025-12-11 03:44 ok
RUBM.HHN 2025-12-11 03:44 ok
ELAM.HHN 2025-12-11 03:47 ok
AGAM.HHE 2025-12-01 23:53 Revisar
AZUM.HHN 2025-12-08 23:57 Revisar
CL2M.ELZ 2025-12-11 03:47 ok
SALM.ELZ 2025-12-11 03:44 ok
MORM.ELE 2025-12-05 23:55 Revisar
CERM.ELZ 2025-12-08 23:58 Revisar
TOCM.HHZ 2025-12-05 00:11 Revisar
ALEM.HHE 2025-12-11 03:46 ok
CERM.ELE 2025-12-08 23:57 Revisar
LAGM.HHZ 2025-12-11 03:48 ok
PLAM.HHZ 2025-12-11 03:43 ok
BISM.ELZ 2025-12-08 23:57 Revisar
PARM.HHE 2025-11-24 00:01 Revisar
ALFM.HHE 2025-12-11 03:46 ok
TOLM.ELN 2025-12-11 03:45 ok
SILM.ELE 2025-11-30 00:16 Revisar
RC3M.ELN 2025-12-11 03:43 ok
LISM.HHN 2025-12-09 00:03 Revisar
AGAM.HHN 2025-12-01 23:53 Revisar
FGU2M.HNE 2025-12-11 03:47 ok
CAJM.ELZ 2025-12-11 03:46 ok
AZUM.HHZ 2025-12-08 23:57 Revisar
RUBM.HHE 2025-12-11 03:44 ok
ESMM.HHN 2025-12-05 23:51 Revisar
AZUM.HHE 2025-12-08 23:57 Revisar
RC3M.ELZ 2025-12-11 03:43 ok
LAJM.ELN 2025-12-11 03:48 ok
LAJM.ELZ 2025-12-11 03:49 ok
LAVM.ELE 2025-12-11 03:49 ok
ALEM.HHZ 2025-12-11 03:46 ok
PIRM.HHE 2025-12-11 03:49 ok
RCBM.HHN 2025-12-11 03:43 ok
BISM.ELN 2025-12-08 23:57 Revisar
DESM.HHZ 2025-12-11 03:47 ok
ALFM.HHZ 2025-12-11 03:46 ok
REFM.HHZ 2025-12-11 03:44 ok
FGU2M.HNN 2025-12-11 03:48 ok
LAGM.HHE 2025-12-11 03:48 ok
TOCM.HHN 2025-12-05 00:11 Revisar
NIDM.HHE 2025-12-11 03:49 ok
SAMM.ELE 2025-11-16 00:05 Revisar
TOCM.HHE 2025-12-05 00:11 Revisar
TAPM.HHE 2025-12-11 03:44 ok
TIGM.ELZ 2025-12-11 03:45 ok
TIGM.ELN 2025-12-11 03:45 ok
BISM.ELE 2025-12-08 23:57 Revisar
BRAM.ELN 2025-12-01 23:54 Revisar
LAGM.HHN 2025-12-11 03:48 ok
ALFM.HHN 2025-12-11 03:46 ok
SJUM.HHE 2025-12-11 03:44 ok
CIMM.ELE 2025-12-11 03:47 ok
PLAM.HHN 2025-12-11 03:43 ok
CERM.ELN 2025-12-08 23:57 Revisar
AFRM.HHE 2025-12-11 03:46 ok

    Sismogramas 2025-12-09 (85)


  • ACOLM.HDF

    2025-12-09

    Ver

  • ACR3M.HDF

    2025-12-09

    Ver

  • AFRM.HHE

    2025-12-09

    Ver

  • AFRM.HHN

    2025-12-09

    Ver

  • AFRM.HHZ

    2025-12-09

    Ver

  • ALEM.HHE

    2025-12-09

    Ver

  • ALEM.HHN

    2025-12-09

    Ver

  • ALEM.HHZ

    2025-12-09

    Ver

  • ALFM.HHE

    2025-12-09

    Ver

  • ALFM.HHN

    2025-12-09

    Ver

  • ALFM.HHZ

    2025-12-09

    Ver

  • ANIM.HHE

    2025-12-09

    Ver

  • ANIM.HHN

    2025-12-09

    Ver

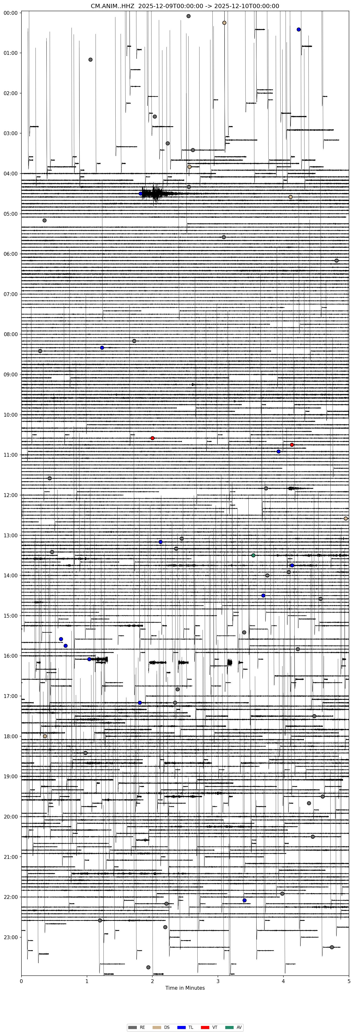
  • ANIM.HHZ

    2025-12-09

    Ver

  • CAJM.ELZ

    2025-12-09

    Ver

  • CIMM.ELE

    2025-12-09

    Ver

  • CIMM.ELN

    2025-12-09

    Ver

  • CIMM.ELZ

    2025-12-09

    Ver

  • CL2M.ELE

    2025-12-09

    Ver

  • CL2M.ELN

    2025-12-09

    Ver

  • CL2M.ELZ

    2025-12-09

    Ver

  • DESM.HHE

    2025-12-09

    Ver

  • DESM.HHN

    2025-12-09

    Ver

  • DESM.HHZ

    2025-12-09

    Ver

  • ELAM.HHE

    2025-12-09

    Ver

  • ELAM.HHN

    2025-12-09

    Ver

  • ELAM.HHZ

    2025-12-09

    Ver

  • FGU2M.HNE

    2025-12-09

    Ver

  • FGU2M.HNN

    2025-12-09

    Ver

  • FGU2M.HNZ

    2025-12-09

    Ver

  • GLAM.HHE

    2025-12-09

    Ver

  • GLAM.HHN

    2025-12-09

    Ver

  • GLAM.HHZ

    2025-12-09

    Ver

  • LAGM.HHE

    2025-12-09

    Ver

  • LAGM.HHN

    2025-12-09

    Ver

  • LAGM.HHZ

    2025-12-09

    Ver

  • LAJM.ELE

    2025-12-09

    Ver

  • LAJM.ELN

    2025-12-09

    Ver

  • LAJM.ELZ

    2025-12-09

    Ver

  • LAVM.ELE

    2025-12-09

    Ver

  • LAVM.ELN

    2025-12-09

    Ver

  • LAVM.ELZ

    2025-12-09

    Ver

  • NIDM.HHE

    2025-12-09

    Ver

  • NIDM.HHN

    2025-12-09

    Ver

  • NIDM.HHZ

    2025-12-09

    Ver

  • OLLM.HHE

    2025-12-09

    Ver

  • OLLM.HHN

    2025-12-09

    Ver

  • OLLM.HHZ

    2025-12-09

    Ver

  • PIRM.HHE

    2025-12-09

    Ver

  • PIRM.HHN

    2025-12-09

    Ver

  • PIRM.HHZ

    2025-12-09

    Ver

  • PLAM.HHE

    2025-12-09

    Ver

  • PLAM.HHN

    2025-12-09

    Ver

  • PLAM.HHZ

    2025-12-09

    Ver

  • QUINM.HHE

    2025-12-09

    Ver

  • QUINM.HHN

    2025-12-09

    Ver

  • QUINM.HHZ

    2025-12-09

    Ver

  • RC3M.ELE

    2025-12-09

    Ver

  • RC3M.ELN

    2025-12-09

    Ver

  • RC3M.ELZ

    2025-12-09

    Ver

  • RCBM.HHE

    2025-12-09

    Ver

  • RCBM.HHN

    2025-12-09

    Ver

  • RCBM.HHZ

    2025-12-09

    Ver

  • REFM.HHE

    2025-12-09

    Ver

  • REFM.HHN

    2025-12-09

    Ver

  • REFM.HHZ

    2025-12-09

    Ver

  • RUBM.HHE

    2025-12-09

    Ver

  • RUBM.HHN

    2025-12-09

    Ver

  • RUBM.HHZ

    2025-12-09

    Ver

  • SAJM.ELZ

    2025-12-09

    Ver

  • SALM.ELE

    2025-12-09

    Ver

  • SALM.ELN

    2025-12-09

    Ver

  • SALM.ELZ

    2025-12-09

    Ver

  • SJUM.HHE

    2025-12-09

    Ver

  • SJUM.HHN

    2025-12-09

    Ver

  • SJUM.HHZ

    2025-12-09

    Ver

  • TAPM.HHE

    2025-12-09

    Ver

  • TAPM.HHN

    2025-12-09

    Ver

  • TAPM.HHZ

    2025-12-09

    Ver

  • TIGM.ELE

    2025-12-09

    Ver

  • TIGM.ELN

    2025-12-09

    Ver

  • TIGM.ELZ

    2025-12-09

    Ver

  • TOLM.ELE

    2025-12-09

    Ver

  • TOLM.ELN

    2025-12-09

    Ver

  • TOLM.ELZ

    2025-12-09

    Ver